PSA






IMMO OFF
The emulator automatically recognizes the brand and the type of the engine ECU.
It does not require the picking of any jumpers, which is what differentiates it amongst other emulators!

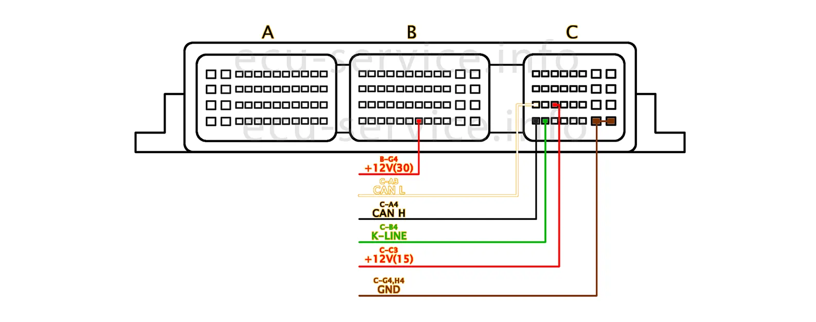
STEP 1
STEP 2
Please write PIN code to emulator eeprom according example:
